Опис товару
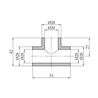
Трійник PPR Baux 20х1/2" РВ — це з'єднувальний елемент, призначений для рівномірного розподілу потоку рідини та об'єднання трубопровідних ліній у системах водопостачання й опалення, виконаних із поліпропілену (PPR). Виготовлений за стандартом Baux, він забезпечує міцне, герметичне і довговічне з'єднання труб, завдяки чому система працює стабільно навіть за високих експлуатаційних навантажень.
Основні характеристики:
Матеріал: високоякісний поліпропілен (PPR).
Розміри: Один кінець - 20 мм, інший - 1/2" (різьбове з'єднання РВ).
Тип з'єднання: РВ (різьблення внутрішнє).
Робоча температура: до +95°C.
Робочий тиск: до 25 Bar.
Метод монтажу: використовується пайка PPR, що забезпечує високу герметичність і надійність з'єднання.
Переваги:
Герметичність: надійно унеможливлює витоки та забезпечує стабільне функціонування системи.
Простота монтажу: стандартні розміри дають змогу швидко встановити елемент у систему.
Довговічність: стійкий до впливу ультрафіолетового випромінювання, хімічних речовин і температурних коливань.
Універсальність: підходить для різних інженерних мереж, включно з системами водопостачання, опалення та каналізації.
Область застосування:
Системи водопостачання та опалення.
Інженерні мережі, де застосовуються труби PPR.
Установки, що вимагають надійного і якісного з'єднання труб.
Трійник PPR Baux 20х1/2" РВ — практичне і надійне рішення для якісного об'єднання пластикових труб в різних інженерних системах. Завдяки своїй герметичності, простоті монтажу і стійкості до зовнішніх впливів, даний елемент забезпечує стабільну і довговічну роботу інженерних комунікацій.
Основні характеристики:
Матеріал: високоякісний поліпропілен (PPR).
Розміри: Один кінець - 20 мм, інший - 1/2" (різьбове з'єднання РВ).
Тип з'єднання: РВ (різьблення внутрішнє).
Робоча температура: до +95°C.
Робочий тиск: до 25 Bar.
Метод монтажу: використовується пайка PPR, що забезпечує високу герметичність і надійність з'єднання.
Переваги:
Герметичність: надійно унеможливлює витоки та забезпечує стабільне функціонування системи.
Простота монтажу: стандартні розміри дають змогу швидко встановити елемент у систему.
Довговічність: стійкий до впливу ультрафіолетового випромінювання, хімічних речовин і температурних коливань.
Універсальність: підходить для різних інженерних мереж, включно з системами водопостачання, опалення та каналізації.
Область застосування:
Системи водопостачання та опалення.
Інженерні мережі, де застосовуються труби PPR.
Установки, що вимагають надійного і якісного з'єднання труб.
Трійник PPR Baux 20х1/2" РВ — практичне і надійне рішення для якісного об'єднання пластикових труб в різних інженерних системах. Завдяки своїй герметичності, простоті монтажу і стійкості до зовнішніх впливів, даний елемент забезпечує стабільну і довговічну роботу інженерних комунікацій.








